
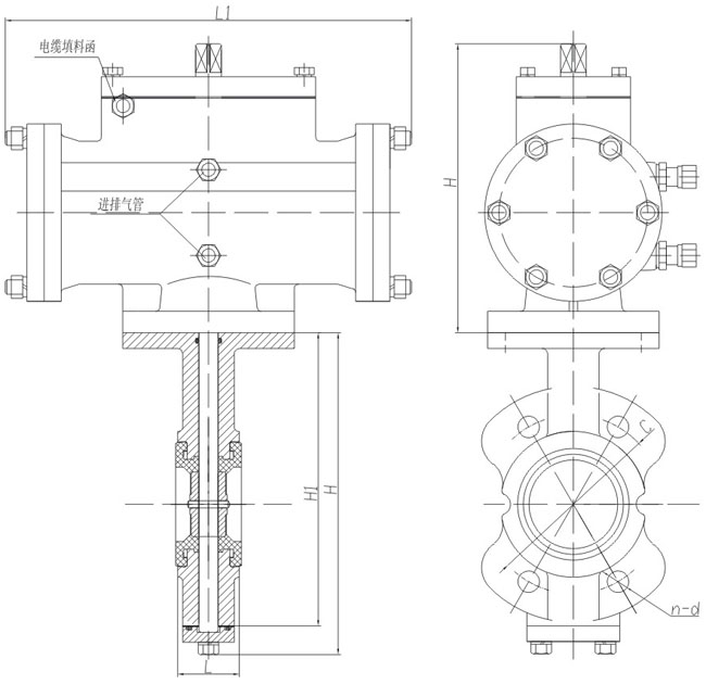
船用氣動對夾式中心型蝶閥,是氣動單元組合儀表中的執行單元,它來自調節儀表的信號,改變介質的切斷與流通,該產品操作力大,閥體設計新穎,流阻小,額定流量系數大,密封性能優良。
船用氣動對夾式中心型蝶閥是由執行機構(氣動、電動)與轉角型蝶閥體二部份組成,中間由支架相連而成。以GIQ型為例:執行機構是由雙氣路氣缸為主體,接受二位四通電磁閥控制輸出的(0.4~0.6MPa)氣源信號壓力為動力,通過控制元件改變氣流方向,執行氣缸驅動蝶閥作啟閉運動。可據據不同的材質,及不同的執行機構分類,適用于-25~200℃的介質
船用氣動對夾式中心型蝶閥 生產標準:國標GB/CB、日標JIS、美標ANSI、德標DIN、公稱壓力:5K、10K、16K、PN、6PN1、0PN16、ANSI150、LB300LB,公稱通徑DN50-DN1200,閥體材質:球墨鑄鐵QT450、鑄鋼ZG230-450、不銹鋼SUS、青銅BZ,閥板:不銹鋼SUS、青銅BZ,閥座:丁晴橡膠NBR,聚四氟乙烯:PTFE、三元乙丙橡膠EPDM、氟橡膠FKM。
| 設計制造 | 連接法蘭 | 檢驗與試驗 |
|---|---|---|
| GB/T3036 | JB/T919 GB/T6070 CB/T64 | JB/T1079 JB/T6446 |
| 零件名稱 | 閥體和蝶板 | 構件 | 密封墊(閥體、蝶板) |
|---|---|---|---|
| 材料 | 鑄鐵,鑄鋼,不銹鋼,青銅 | 2Cr13 | 丁腈橡膠 |
| 不銹鋼,青銅 | 不銹鋼 | 丁腈橡膠/氟橡膠 |


聲明:
本文中所有文字、數據、圖片均只適用于參考。需要查看更多的船用氣動對夾式中心型蝶閥性能參數、結構尺寸參數、價格等詳情,或要求高質量印刷樣本,請聯系我們。
· 電話:18717746989
· 郵箱:sales@shczvalve.com
承質訂貨須知:
一、A:產品名稱、型號、公稱通徑B:介質及溫度、壓力范圍C:是否有附件、交貨期、特殊要求等以便我們的為您正確選型。
二、若已經由設計單位選定我公司的閥門型號,請您根據閥門參數直接與我們銷售中心訂購。
三、當您使用的場合非常重要或環境比較復雜時,請您提供設計圖紙和詳細參數,我們的工程師專家會為您審核與分析。我們可以為您提供解決方案,包括設計、定做、成套、運行、服務。我們一直致力于閥門行業領域,為您提供船用閥門知識、服務、技術顧問。
感謝您訪問我們的網站【www.bullfull.com】,如有任何疑問,您可以致電給我們,我們一定會盡心盡力為您提供服務。本廠提供船用蝶閥、船用閘閥、船用止回閥、船用調節閥、船用減壓閥、船用呼吸閥、高速透氣閥、船用快關閥、船用自閉閥、船用旋塞閥、船用消防閥、船用通海閥、船用防浪閥、船用濾器、船用空氣帽、船用球閥、船用截止閥、船用截止止回閥、船用閥組、船用截止閥箱、船用針型閥、船用電磁閥、船用隔膜閥、船用壓力表閥等各類船用閥門,不銹鋼閥門。